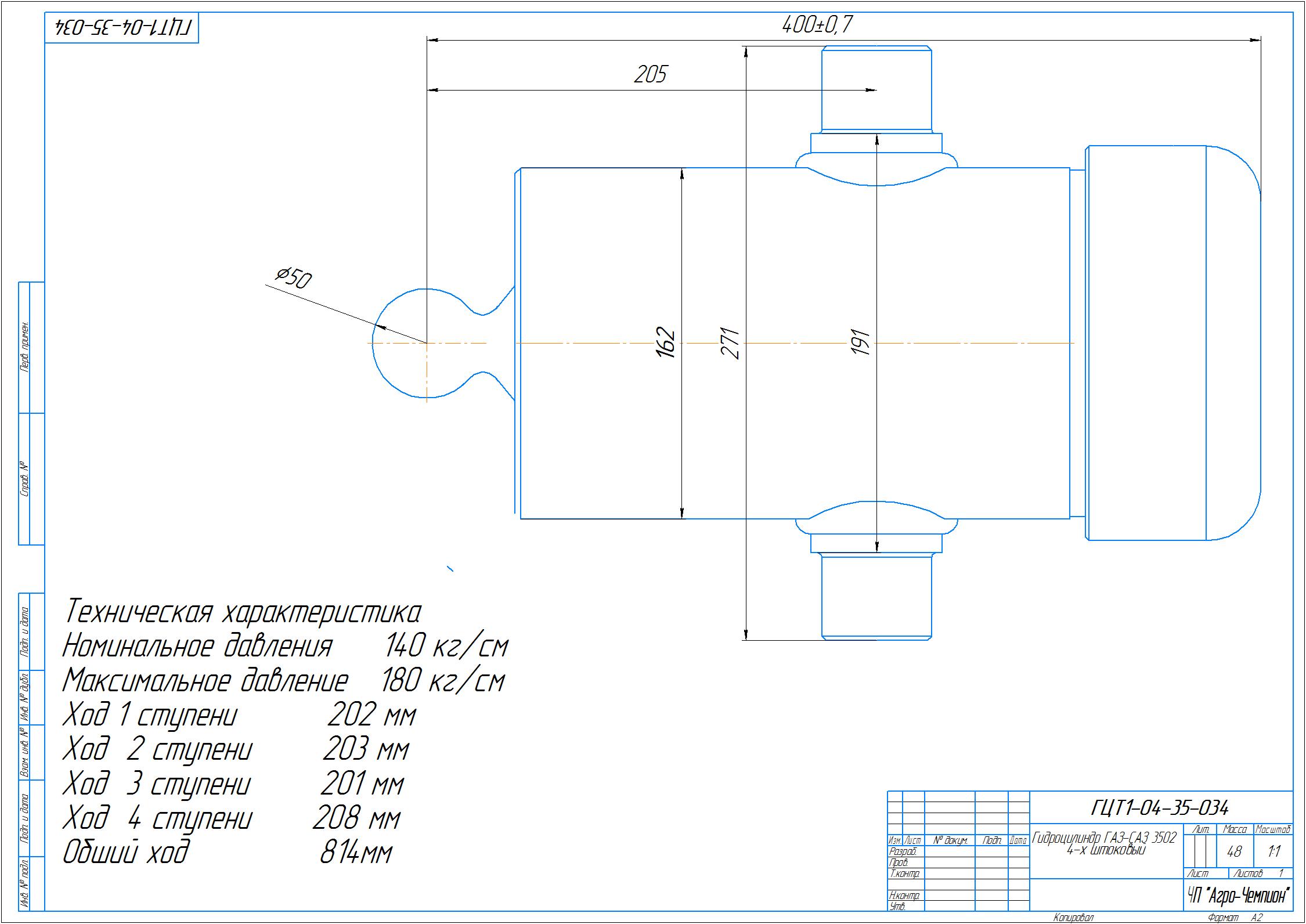
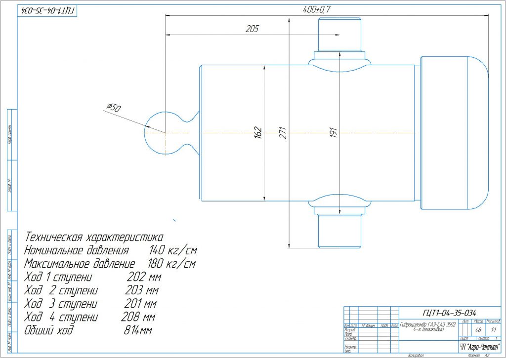
Гидроцилиндр подъема кузова ГАЗ-САЗ 4-и штоковый на Цапфах
Подъем платформы кузова осуществляется за счет телескопического гидроцилиндра прицепа ГАЗ САЗ 4ти штокового. Гидроцилиндр обеспечивает возможность разгрузки на три стороны и имеет шесть штоков диаметром: 135/115/95/75/ мм. Полезный ход 814 мм., рабочее давление 170 МПА, грузоподъемность 16 тонн вес кузова с грузом. Хорошо подходит для переоборудования кузовов, прицепов, а также на многие самодельные кузова, Нашол применение на кузовах КАМАЗов, стоит парно имеют разгрузку на 2 стороны, имеет возможность разгрузки на 3 стороны, имеет в продаже люльку,
Будте внимательны при заказе гидроцилиндра САЗ, он имеет аналог с 3-мя штоками, с намного меньшей грузоподьемностью
Номинальное давление — 160кг / см Максимальное давление — 180 кг / см
Ход гильз:-
- первая 190 мм.
-
- вторая 195 мм.
-
- третья 195 мм.
-
- четвертая 225 мм.
Гарантия 6 месяцев. кипив гидроцилиндр САЗ у нас в магазине от завода Агро-Чемпио вы гарантируете для себя доступ к комплектуюшим для этого гидроцилиндра от уплотнений до шаровой опоры
Доставка

Получить Гидроцилиндр САЗ 4 штоковый вы можете любым из нижеперечисленных способов:
-
- Самовывоз из пункта выдачи товаров.
-
- Курьерской доставкой. (Ночной экспресс, НОВА ПОШТА, Ин-Тайм, Автолюкс, САТ, Деливери)
-
- Доставка почтовой службой.
Курьерская служба «Нова пошта»
КУРЬЕРСКАЯ СЛУЖБА «НОВА ПОШТА»
Компания постоянно расширяет географию своей деятельности и десять лет существования прошла путь от единственного маршрута до покрытия всей территории Украины.
Сейчас сеть «Новой Почты» насчитывает более 7000 действующих представительств в более чем 100 населённых пунктов Украины.











