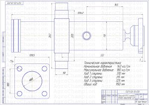
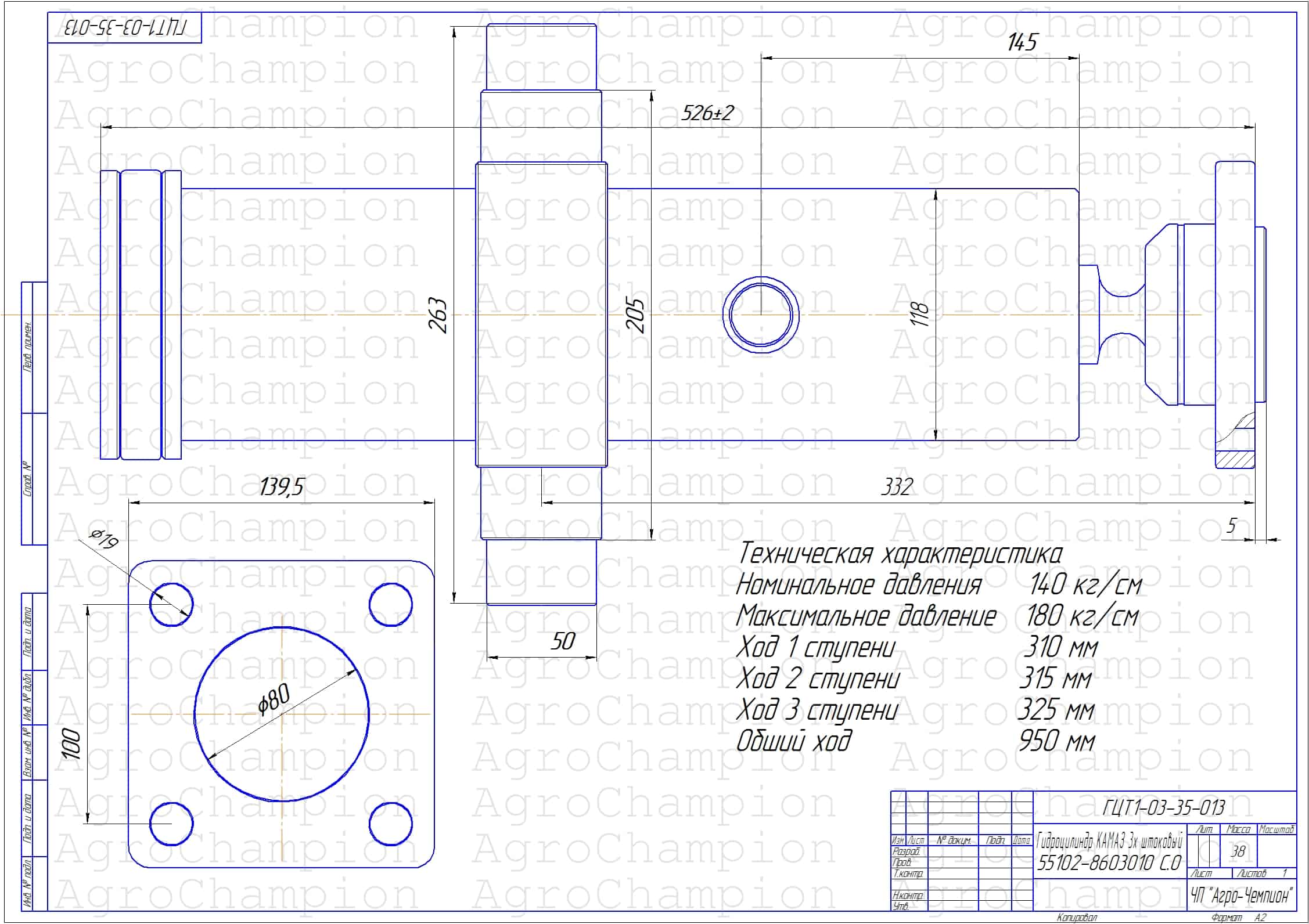
Гидроцилиндр подъема кузова КАМАЗ 55.102 3-х штоковый старого образца (площадка-цапфы)
Подъем платформы (кузова) КАМАЗ 55102 осуществляется за счет телескопического гидроцилиндра 55102-8603010 старого образца. Гидроцилиндр разработан с возможность разгрузки на две стороны и имеет три штока диаметром: 95/75/55 мм. Ход гидроцилиндра составляет 955 мм., средние рабочее давление 16 МПА, грузоподъемность 10 тонн. Предназначен для модели КАМАЗ 55102 фактический не используется для переоборудование других прицепов и кузавов. при необходимости разкрузки на три стороны устанавливается гидроцилиндр камаз 55102 на 5 штоков,
КАМАЗ 55102 3 штока Номинальное давление — 140 кг / см Максимальное давление — 180 кг / см Ход гильз:- первая 310 мм.
- вторая 315 мм.
- третья 325 мм.
Доставка

Получить Гидроцилиндр КАМАЗ 55102 3 штоковый вы можете любым из нижеперечисленных способов:
-
- Самовывоз из пункта выдачи товаров.
-
- Курьерской доставкой. (Ночной экспресс, НОВА ПОШТА, Ин-Тайм, Автолюкс, САТ, Деливери)
-
- Доставка почтовой службой.
Курьерская служба «Нова пошта»
КУРЬЕРСКАЯ СЛУЖБА «НОВА ПОШТА»
Компания постоянно расширяет географию своей деятельности и десять лет существования прошла путь от единственного маршрута до покрытия всей территории Украины.
Сейчас сеть «Новой Почты» насчитывает более 7000 действующих представительств в более чем 100 населённых пунктов Украины.














