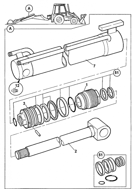
Гидроцилиндр JSB 556/60256 устанавливается навыдвижиние рукояти задней стрелы, ее обеспечивает удлинение рабочего органа, и обеспечивает нормальную работу ковша. И является взаимозаменяемой деталью для экскаваторов JCB 3CX, 3CX Super, 4CX.
У нас в интернет-магазине можно приобрести или заказать срочный ремонт этого гидроцилиндра JSB 556/60256 (старый каталожный №556/60256).
Для более детальной информации +38(097) 798-88-83




