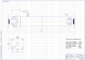
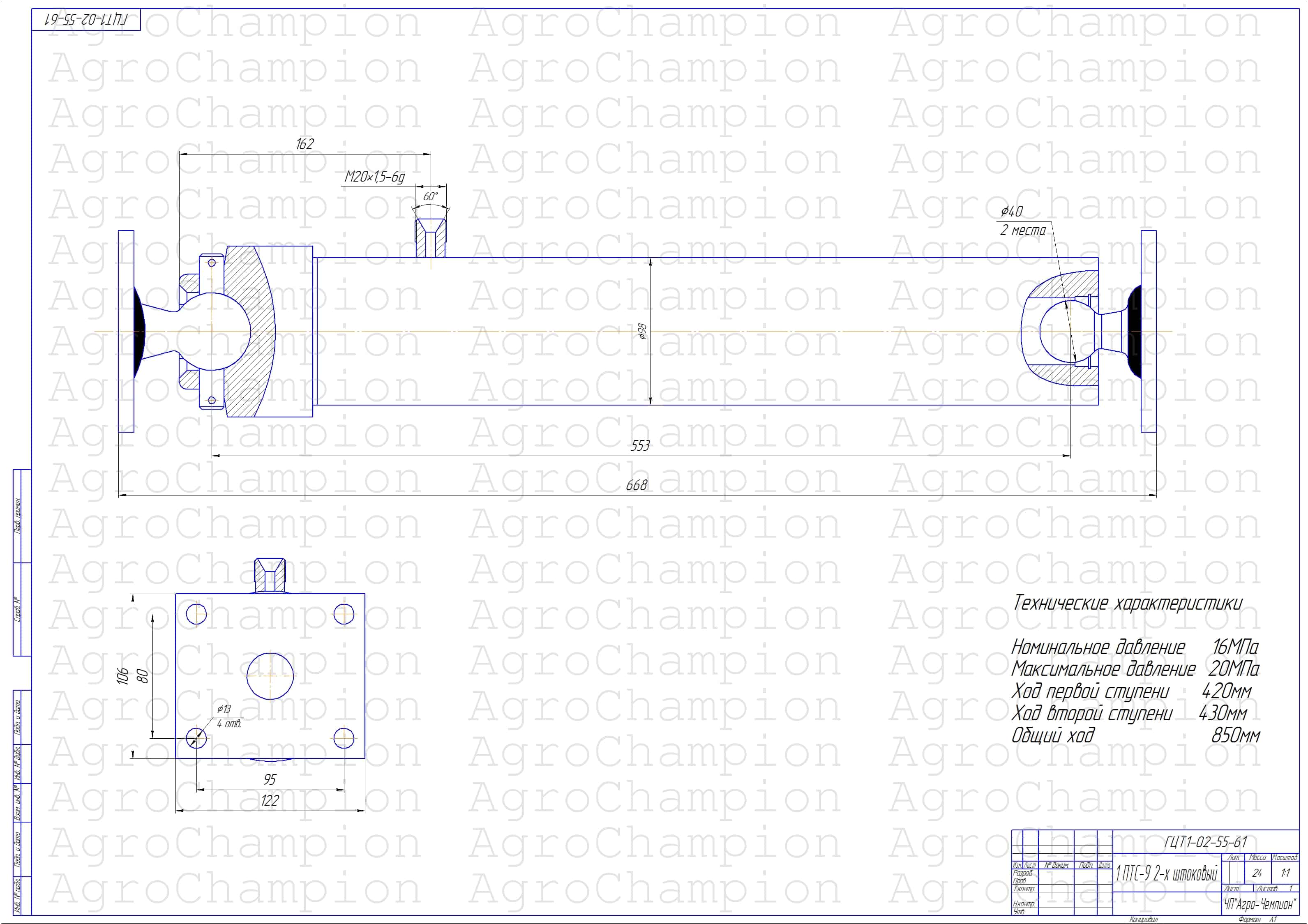
Гидроцилиндр прицепа 1ПТС-9 2-х штоковый
Гидроцилиндр телескопический, одностороннего действия подъема тракторного прицепа 1-ПТС-9.
Применяется на модели 1-ПТС-9.
Свойства — разгрузка на одну сторону.
Номинальное давление 16МПа
Максимальное давление 20МПа
Ход гильз:
- первая 420 мм.
- вторая 430 мм.
Общий ход гидроцилиндра 850 мм.
Гарантия 6 месяцев.








